製品紹介
パーツフィーダ・パーツフィーディングシステム
ブレーキモータ・ブレーキ
クランプ関係・カップリング
植物栽培システム・ガラス関係・産業機器商品
新着情報
選ばれる理由
事業紹介
経営理念・経営方針
事業紹介
会社概要
調達方針
採用情報
トップページ
>
製品紹介 >
パーツフィーダ・パーツフィーディングシステム
>
ボウルフィーダ ピエゾシリーズ >
ピエゾフィーダ PEFシリーズ
パーツフィーダ
ボウルフィーダ
ピエゾフィーダ PEFシリーズ
FEATURE
特徴
1
自社電磁フィーダと比較して70%の省エネを実現
圧電式パーツフィーダは、チタン酸鉛とジルコン酸鉛を主成分とするファインセラミックスを使用した圧電素子を駆動源とし、圧電効果を活用して振動搬送する仕組みを持つ画期的なパーツフィーダです。また、変換効率も高いため、消費電力も電磁と比較して70%以上大幅な省エネルギー効果が得れてます。
2
効率良く振動が伝わる固定方法
ボウルの位置はセンターロックや外周ロックで調整可能で、標準以外のボウルも対応可能。シンプルな構造で、コイルや鉄心を使用せず耐久性に優れています。また、磁気を使用していないことによりワークへの影響を及ぼすことがありません。
3
国内製造の圧電素子(ピエゾ素子)により耐久性アップ
圧電素子(ピエゾ素子)は自社国内で徹底した品質管理の下で製造し、さらに電極形状の最適化などにより従来品より1.5~2倍の信頼性、耐久性がアップしています。
ボウルフィーダ ピエゾシリーズ
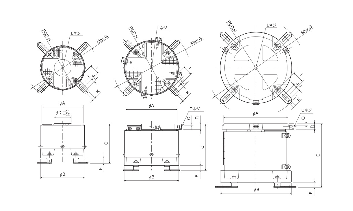
振動機外形寸法図
仕様
お問い合わせ
ご質問やご相談はお気軽にお問い合わせください。専門のスタッフが迅速に対応し、最適なソリューションをご提案いたします。
お電話またはメールでのご連絡をお待ちしております。
製品紹介
パーツフィーダ
ブレーキモータ・ブレーキ
クランプ関係・カップリング
植物栽培システム 他
新着情報
選ばれる理由
事業紹介
経営理念・経営方針
事業紹介
会社概要
よくある質問
調達方針
採用情報