製品紹介
パーツフィーダ・パーツフィーディングシステム
ブレーキモータ・ブレーキ
クランプ関係・カップリング
植物栽培システム・ガラス関係・産業機器商品
新着情報
選ばれる理由
事業紹介
経営理念・経営方針
事業紹介
会社概要
調達方針
採用情報
トップページ
>
製品紹介 >
ブレーキモータ・ブレーキ
>
ブレーキ >
SBD-PH/HBDシリーズ
ブレーキ
電磁ブレーキ
SBD-PH/HBDシリーズ
FEATURE
特徴
1
ユニット式設計/サーボモータ対応(保持型)
ブレーキ本体はユニット式のため、交換・保守が容易に行えます。ユニット単体での販売が可能です。
サーボモータ、減速機、装置への取付けが可能です。
2
充実のオプション
手動開放、防水、静音、高トルク、薄形など様々ご要望に対応できます。
3
サーボモータの保持用途対応
サーボモータ対応(保持型)としてHBDシリーズがあります。
SBD-PH/HBDシリーズ
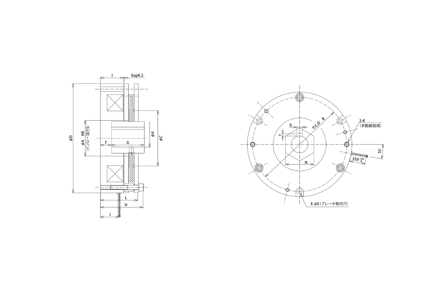
構造断面図
外形寸法図
特性表
寸法表
お問い合わせ
ご質問やご相談はお気軽にお問い合わせください。専門のスタッフが迅速に対応し、最適なソリューションをご提案いたします。
お電話またはメールでのご連絡をお待ちしております。
製品紹介
パーツフィーダ
ブレーキモータ・ブレーキ
クランプ関係・カップリング
植物栽培システム 他
新着情報
選ばれる理由
事業紹介
経営理念・経営方針
事業紹介
会社概要
よくある質問
調達方針
採用情報